728x90
반응형
피트공간 등 소방시설 설치
피트공간 등에 대한 소방시설(헤드, 감지기 등) 적용할 것
- 피트층, 피트 공간(EPS, TPS, PS실)은 스프링쿨러설비의 화재안전기준 제15조 제1항 제1호에서 파이프덕트, 덕트 피트(파이프, 덕트를 통과시키기 위한 구획된 구멍에 한한다)에 해당하지 않으므로 소방시설 적용 제외 장소에 포함되지 아니함
- 피트공간에 소공간자동소화장치 등 소방시설 설치 시 소방시설 작동을 방재실에서 확인할 수 있도록 할 것
- 피트공간(유수검지장치실 등)은 점검 공간을 충분히 확보하고, 신속한 대응이 가능하도록 점검구를 개방할 수 있는 구조로 할 것.
피트 정의
- 피트층 : 건축법령상 연멱적에 포함되지 않고, 거실 용도로 사용할 수 없는 수평적 공간
- 피트공간 : 건축설비 등을 설치 또는 통과하기 위하여 설치된 구획된 공간 (수직관통부를 층간 방화구획한 공간)
- 유로(수직관통부) : 급 배수관, 배전 통신용 케이블 등을 설치하기 위해 건축물 내의 바닥을 관통하여 수직방향으로 연속된 공간
호스릴 옥내소화전 설치대상 확대
옥내소화전설비 화재안전기준
아파트(주차장제외), 오피스텔 노유자시설, 요양병원 숙박시설 설치 권장
누구든지 쉽게 전개, 사용 가능한 호스릴 옥내소화전 설치(접이식 - 호스릴식)
| 구분 | 옥내소화전설비 | 호스릴옥내소화전설비 |
| 방수압력 | 0.17 mpa | 0.17 mpa |
| 방 수 량 | 130 LPM | 130 LPM |
| 호스구경 | 40mm 이상 | 25mm 이상 |
| 주배관구경 | 50mm 이상 | 32mm 이상 |
| 가지배관구경 | 40mm 이상 | 25mm 이상 |
| 수평거리 | 25m 이하 | 25m 이하 |
| 수원량 | 설치수(2개이상인경우2)x 2.6m3 | 설치수(2개이상인경우2)x2.6m3 |
설치 상세 비교

수직 연소확대 방지용 스프링클러헤드 설치
소방시설등의 성능위주 설계
- 건물 창 등 개구부 근접상부에 수직 연소확대 방지용 스프링클러설비 헤드 설치 적용할 것
- 주상복합건물 외벽 대부분이 커튼월방식 구조로 되어 있고, 공동 주택의 경우 발코니 확장 등으로 인해 개구부를 통한 상층부로의 급격한 연소확대 위험
- 조기반응형 또는 표준형 헤드는 내창으로부터 0.6m 이내 설치
- [다만, 기타시설물(커튼박스, 시스템에어컨 등)에 의해 설치가 어려울 경우에는 성능에 지장이 없는 범위에서 0.6m 초과할 수 있음]
- 헤드 상호간의 간격은 1.8m 마다 스프링쿨러헤드 설치할 것
수직연소방지를 위한 스프링클럭 개념도
소방용 펌프 및 배관 설치기준 강화
국가화재안전기준(옥내소화전설비 등)
- 건축물의 수계소화설비 신뢰도 향상 및 설치기준 강화
- 수계소화설비(옥내소화전, 스프링클러설비)의 소방펌프 및 급수배관은 각 설비별 분리 적용할 것.
- [다만, 옥내소화전설비의 성능에 지장이 없는 경우 연결송수관설비와 겸용 가능]
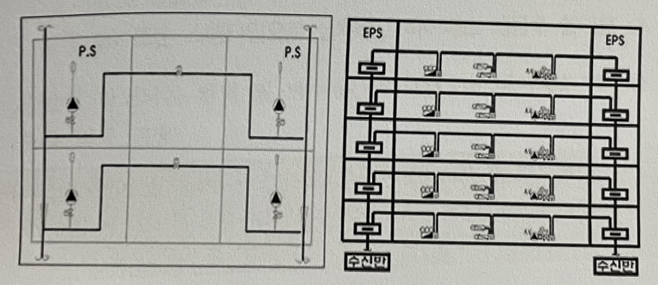
소방시설 Fail-Safe 적용 (배관, 간선의 이중화)
고층건축물 화재안전기준
- 초고층건축물의 입상배관(옥내소화전 및 스프링클러설비) 이중화할 것
- 옥내소화전 및 스프링클러설비의 주배관중 수직배관은 2개 이상 (주배관 성능과 동일한 호칭배관) 설치하여 입상관 파손 등에도 상시 소화용수가 공급되도록 할 것
- 스프링클러설비의 유수검지장치는 주배관 중 수직배관(2개소) 마다 설치하고, 스프링 클러설비 헤드에는 2개 이상의 가지배관 양방향에서 소화용수 공급되도록 할 것.
- 초고층건축물의 자동화재탐지설비 통신, 신호배선 이중화
- 통신배선 - 수신기와 수신기 사이의 배선
- 신호배선- 수신기와 중계기, 수신기와 감지기 사이의 배선
Fail-Safe 개념

수화수원 등 확보기준 강화
건축물의 수원, 가압송수장치 설치기준 강화
- 일반건축물 : 20분 이상 / 30층 이상 49층 이하 : 40분 이상 / 50층 이상 : 60분 이상 작동
- 초고층건물의 경우 소방수원량 산정기준을 건물의 특성 및 용도에 따라 유효수량 법정기준을 최소 60분 이상으로 확보
- 피난안전구역의 설비공간(30층 마다)에 소화수조 및 충수펌프를 설치하여 상부 소화수조에 소화수를 공급하여 상시 소화용수 확보할 것.
옥상수조 설치기준 강화
건축물의 옥상수조 설치 강화
- 자연낙차방식을 통한 저층부(중층부)의 원활한 송수압력 유지할 것
- 산출된 유효수량 외에 유효수량의 3분의 1 이상을 옥상(스프링클러설비가 설치된 건축물의 주된 옥상을 말한다)에 설치할 것.
- 건물의 수평진동 완화를 위해 최상부에 물탱크를 설치할 경우 이를 소화용수로 활용하고 물탱크 상호 간 배관 연결할 것
반응형
그리드형
'건축' 카테고리의 다른 글
| 소방시설 법 - 소방, 피난, 방화 시설 (0) | 2022.08.17 |
|---|---|
| 건축 소방시설 등의 설계 소방시스템, 피난안전구역 피난 방화시설 (0) | 2022.08.16 |
| 소방 건축법 건축물방화구조규칙 (화재,피난안전성 향상 및 소방 피난 방화시설 강화 적용) (0) | 2022.08.14 |
| 공동주택 비상차량 동선 소방차 주차구획 설치기준 (0) | 2022.08.13 |
| MC기준을 사용하여 아파트 단위세대 그리는 방법 / 주택의 설계도서 작성기준 (0) | 2022.08.08 |
댓글