전단보강근
전단보강 철물의 종류
- 부재축에 직각인 스터럽
- 부재축에 직각으로 배근된 용접철망
- 주인장철근에 45도 이상의 각도로 배근된 스터럽
- 주인장철근에 30도 이상의 각도로 구부러진 굽힘철근
- 스터럽과 굽힘철근의 조합
- 나선철근
최소 전단보강근
전단파괴하중의 산포도가 크므로 구조설계기준에서는 0.5보다 큰 계수전단력이 작용하는 모든 철근콘크리트 휨부재에는 최소 전단보강근을 배근하도록 규정하고 있다.
예외 구조물)
1.슬래브와 기초판
2. 장선(joist)구조물 (바닥, 천정하중의 지지에 사용하는 보)
3. 보의 전체 높이가 250mm, 플랜지 두께의 2.5배, 복부 폭의 1/2중 최대값 이하인 T형보나 I형 보
4. 날개벽, 옹벽 등 휨이 주 거동인 벽체
예외 구조물을 인정하는 이유 : 사인장균열에 의한 파괴가 일어나기 전에 내력을 재분배하는 능력이 있다는 것이 실험과 설계경험을 통하여 입증되었기 때문이다.

Av = u자형 보강근인 경우 : 철근의 단면적 x 2
스트럽의 전단강도 (Vs)z
설계조건 Vu > 파이 Vc 일 때 전단보강근의 보강이 필요.
파이 Vn = 파이 (Vs + Vc) = Vu
전단 보강근에 의한 전단강도
경사 스트럽에 의한 전단보강

스터럽의 간격
수직보강근의간격: d/2 또는600mm 이하로하여45°방향으로생긴균열에보강근 이 1 개 이 상 걸 치 도 록 배 근 간 격 결 정.
경사전단보강근간격: 보의 중심 d2로부터 인장철근까지 45°경사선을 보의 지점방향으로 그었을 때 적어도 1개의 전단보강 근이 경사선과 교차 하도록 배근 간격 결정.
전단보강근의 전단강도 그흙 D,d인부재인경우(i),(i)간격의 12 이하 > 수직전단 보강근: d/4또는300mm이하로 배근
수직스터럽

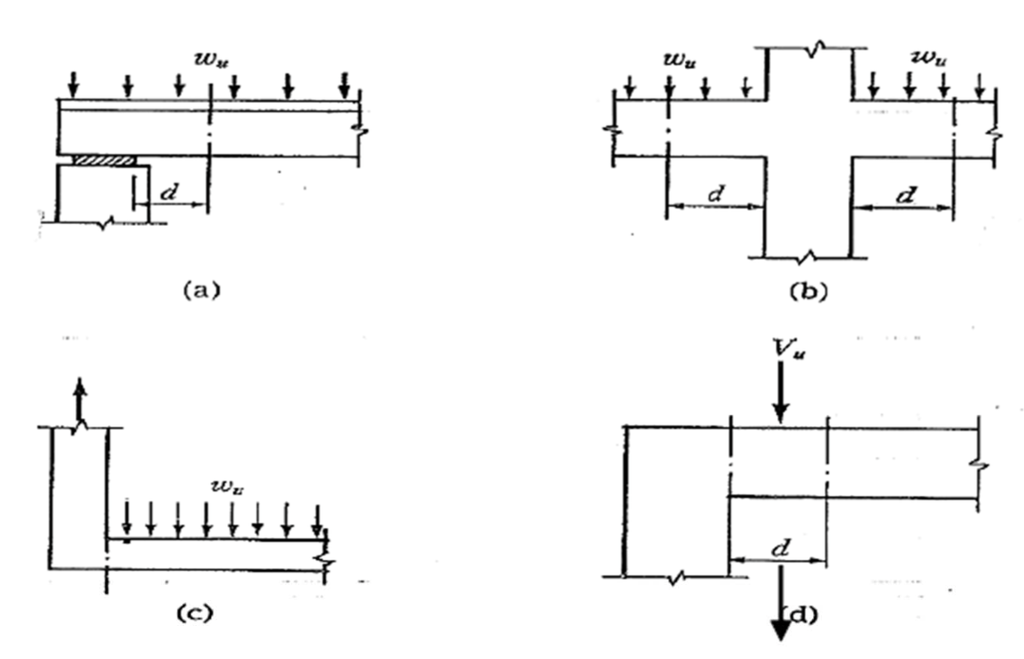
보의 전단설계시 최대 전단력 발생 위치 (전단 위험 단면)
설계용 계수전단력은 받침부 내면에서 거리 d 떨어진 곳에서의 전단력
1. 45도, 사인장균열 끝 부분이 critical section
2. 받침부에서 거리 d 이내에 작용하는 하중은 균열에 교차되는 스터럽에 어떠한 영향도 주지 않고 직접 하중작용점과 받침부 사이에 형성되는 압축대에 의하여 전달
설계용 전단력


전단 위험단면
(c) 인장력에 의해 지지되는 보의경우 위험단면은 지지면이 된다.
(d) 집중하중이 지지면에서 d 이내위치에 작용하는 경우 위험단면은 지지면이 된다.
전단마찰설계
설계 개념
일반 철근콘크리트 보에서는 전단력에 의하여 사인장균열이 발생하고 전단파괴에 이르게 되나, 부재의 상황에 따라서는 직접전단에 의한 전단파괴를 일으키는 경우가 있다. 예를 들어 프리캐스트 콘크리트 부재의 접합면이나 프리캐스트 콘크리트와 현장 콘크리트의 접촉면 또는 강재와 콘크리트의 접촉면 등은 전단에 취약한 부분이며, 이러한 부분에 적절한 전단보강이 안들어 있는 상태에서 큰 직접 전단력이 작용하면 균열이 전단력 방향으로 생기면서 파괴된다.
1) 적용범위
- 현존하거나 발생가능한 균열면 - PC 부재의 접합면
- 서로 상이한 재료의 이음면 - 콘크리트 - 철골의 접촉면
- 타설시기가 서로 다른 콘크리트 이음면 - 현장콘크리트와 PC 접촉면
취약한 부분을 따라 균열이나 미끄럼이 발생하는 것으로 가정
- 가상의 균열면이나 전단면을 가로질러 철근 배근
- 균열면에서의 미끄러짐에 의해 균열이 벌어짐(수직변형)
- 전단보강 철근에 인장력이 작용
- 철근의 인장저항에 의해 콘크리트면에는 압축력이 작용
- 압축력이 균열면에서의 콘크리트의 마찰저항을 증가시킴.
전단저항 = 철근의 인장력 x 콘크리트의 마찰계수
전단마찰설계 계략도

'건축 > 건축구조' 카테고리의 다른 글
| 익스펜션조인트 (Expansion Joint) 이해하기 (0) | 2025.12.30 |
|---|---|
| 보의 휨 해석 및 건축구조설계 압축지배단면과 인장지배단면 (0) | 2022.11.30 |
| 철근콘크리트 RC구조 건축에서 철근의 종류와 개념 (0) | 2022.11.13 |
| 건축 RC구조 철근콘크리트의 사용성 [ 처짐, 하중, 휨강성과 단면2차모멘트] (1) | 2022.11.13 |
| 건축 철근의 최소 피복두께 제한과 사용성 (2) | 2022.11.12 |
댓글