728x90
반응형
압축철근의 정착길이
압축철근은 정착된 철근의 부착 및 정착철근 끝부분의 지압에 의하여 압축력을 콘크리트에 전달한다. 압축력을 받는 경우 균열발생의 가능성이 적고 큰크리트의 지압효과 때문에 인장정착보다 짧은 정착길이가 가능하다. 나선철근 등에 의하여 횡보강된 경우 소요 정착길이는 더욱 짧게 할 수 있어요. 갈고리는 압축철근에서는 효과가 없어요.
압축에 대한 정착길이 ld는 기본 정착길이 ldb에 보정계수를 곱하여 산정합니다. 단 최소 200mm 이상이어야 합니다.
보정계수
- 배근된 철근이 소요량 이상인 과다 철근의 경우 : 소요 철근량 / 배근 철근량
- 지름 6mm이상인 나선철근으로 100mm 이하의 간격으로 둘러싸인 철근 0.75
압축철근의 기본 정착길이[mm]

기본 정착길이와 보정개수에 의하여 개선되는 정착길이 ld는 200mm 이상이어야 한다.
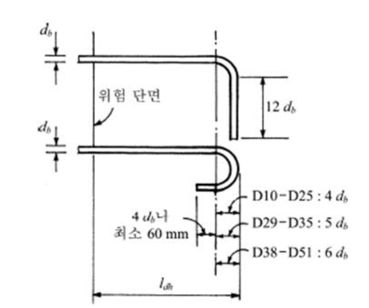
갈고리에 의한 인정철근의 정착
표준 갈고리
- 부재의 위치에 따라 철근의 정착길이를 충분히 확보하기 곤란한 곳에서 철근의 끝부분에 90', 180' 갈고리 (hook)를 사용하여 정착길이를 짧게 할 수 있어요.

스터럽과 띠철근 [표준 갈고리]
[1] 주근 갈고리
- 구부림 각도 180'에 자유단의 길이가 4db 이상 또는 60mm 이상
- 구부림 각도 90'에 자유단의 길이가 12db 이상
[2] stirrup 및 띠철근 갈고리
- D16이하의 철근으로 구부림 각도 90'에 자유단 길이가 6db이상
- D19, D22, D25의 철근으로 구부림 각도 90'에 자유단 길이가 12db 이상
- D25이하 철근으로 구부림각도 135'에 자유단 길이 6db 이상
[3] 구부림 최소지름
- stirrup 및 띠철근 : D16 이하 - 4db , D16이상 - 표 7.3
- 주근 : 구부림 최소 지름
| 철근크기 | 최소 내면 반지름 |
| D10 - D25 | 3db |
| D29 - D35 | 4db |
| D38 이상 | 5db |
표준 갈고리 철근의 상세

갈고리 철근이 보정계수와 정착길이
- fy = 400MPa의 경우 갈고리철근의 기본 정착길이는 아래 식을 이용한다.
- 기본 정착길이에 표 7.3의 보정계수를 곱한 정착길이 ldb를 사용한다. (단ldb >= 8db, 15cm)


철근 절단의 고려사항
- 진단력이 큰 구간에서 철근이 절단되면 응력집중현상이 발생 - 여분의 길이 필요하다.
- 최대 휨모멘트로부터 충분한 정착길이 필요 - 여분의 길이 d나 120db 이상
특별한 조건을 만족시키지 않는 한 인장영역에서는 철근을 절단하지 않아요.
복부철근(스터럽)의 정착
U형 스트럽의 정착


철근의 이음
- 제작과 운반의 제한으로 인해 철근은 한정된 길이로 생산 - 이음이 필요
- 시공의 편의상 철근의 이음을 두는 경우도 있다. (기초에 기둥철근을 배근시 장부 철근을 사용하는 경우)
- 이음의 종류 : 기계적 이음 : 용접, 커플러, 쐐기형 sleeve 등 겹침이음
- 철근의 이음은 힘의 전달이 연속적이고 응력집중이 일어나지 않도록 하며, 응력이 작은 곳에서 엇갈리게 이음을 둡니다.
- 기계적 이음으로 할 때에는 철근의 응력이 1.25fy 이상 발휘될 수 있는 완전한 이음으로 하여야 합니다.
- 겹침이음은 두 철근의 겹침길이를 충분히 하여 원래 철근의 힘이 콘크리트의 부착 응력에 의하여 이어지는 철근으로 전달되도록 하는 이음방법이다.
- D35를 초과하는 철근의 이음은 겹침이음으로 하지 않는다.
- 겹침이음시 이음되는 부위의 두 철근의 간격 : id(겹침이음길이)/5 그리고 150mm 이하
- 다발철근을 겹침이음 할 때 이음길이는 개별철근의 겹침이음길이를 기본으로 정하며, 다발철근의 정착길이에 준하여 겹침이음길이를 증가시킨다.

인장철근의 이음
- 인장철근의 겹침이음에는 철근의 최대 인장력 Abfy을 콘크리트의 부착응력으로 지지할 수 있는 겹침길이가 확보되어야 한다.
- 인장철근의 겹침길이는 인장철근의 정착길이 l db의 항으로 나타낼 수 있다.
- 인장철근의 겹침이음은 소요겹침길이 내에서 (이음철근/ 전체철근, 사용철근량/소요 철근량에 영향에 의해 A급과 B급의 2등급으로 나눈다.)
(1) 최소 겹침이음길이
- A급 이음 : 1.0ld
- B급 이음 : 1.3ld
- 여기서 ld 는 인장을 받는 이형철근의 정착길이 (기본정착길이 x 보정계수)
(2) 겹침이음의 분류
철근의 겹침길이
| 사용철근량 소요철근량 |
겹침길이 내에서 전체철근량에 대한 이음철근량 | |
| 50% 이하 | 50% 초과 | |
| 2 이상 | A급 | B급 |
| 2 미만 | B급 | B급 |
이음의 형태

압축 철근의 이음
- 압축을 받는 철근의 힘 전달 : 콘크리트와의 부착 + 철근단부의 지압
- 쪼개짐이 발생하지 않고 철근단부의 지압으로 인해 압축철근의 이음길이는 짧음
- 철근단부의 지압 : 폐쇄스터럽이나 나선철근이 증가할수록 증가하지만 피복두께의 영향은 거의 없음
반응형
그리드형
'건축 > 건축구조' 카테고리의 다른 글
| RC구조 철근콘크리트 구조의 정의와 기본 개념 (0) | 2022.10.06 |
|---|---|
| 철근콘크리트 RC구조 의미와 역사 (2) | 2022.10.02 |
| 철근의 종류와 배근 사례 [건축 RC구조] (0) | 2022.05.16 |
| 건축구조의 필요조건 [강도와 강성의 차이] (0) | 2022.05.15 |
| 인장과 압축구조물 - 압축부재의 검토 (0) | 2022.04.09 |
댓글